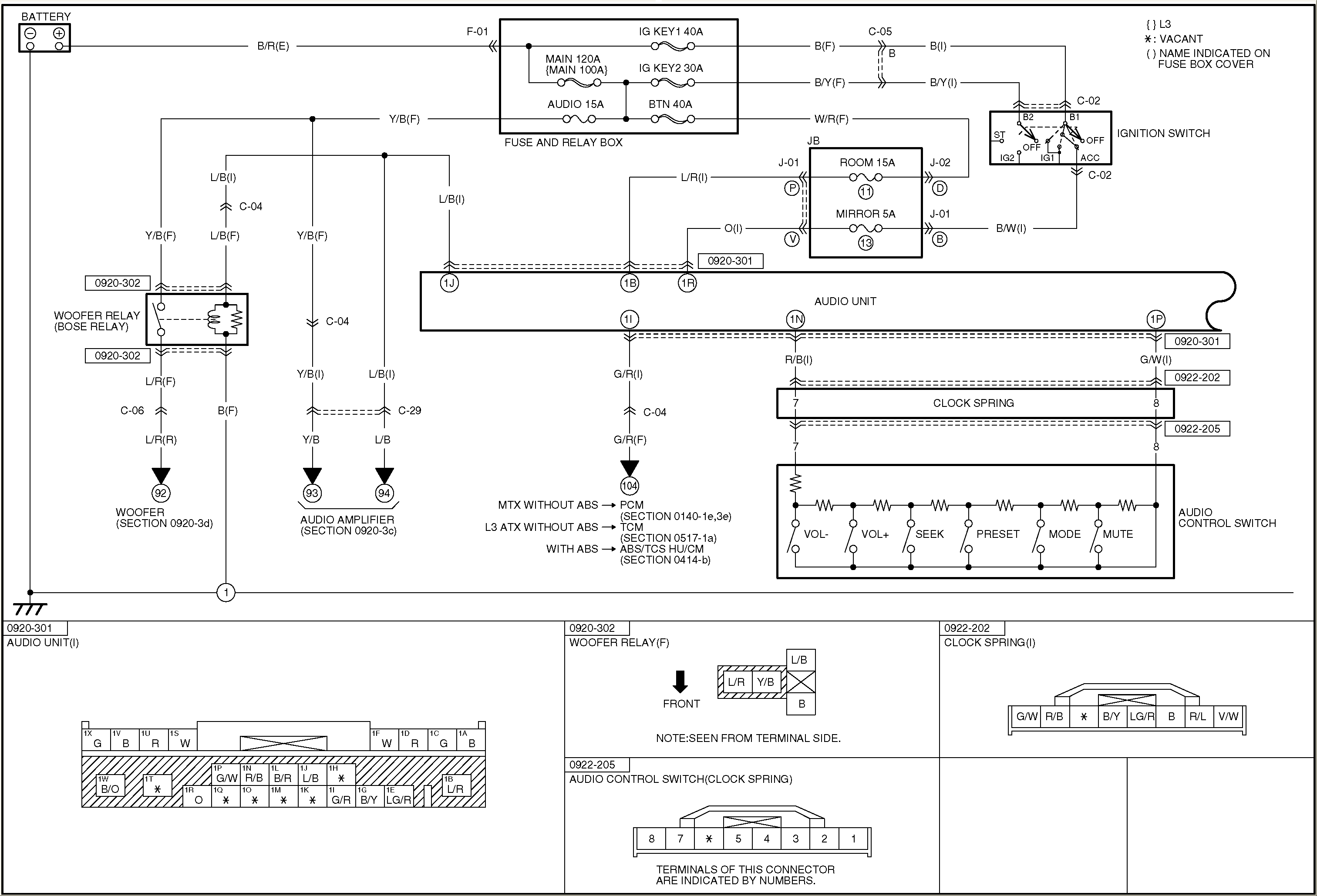
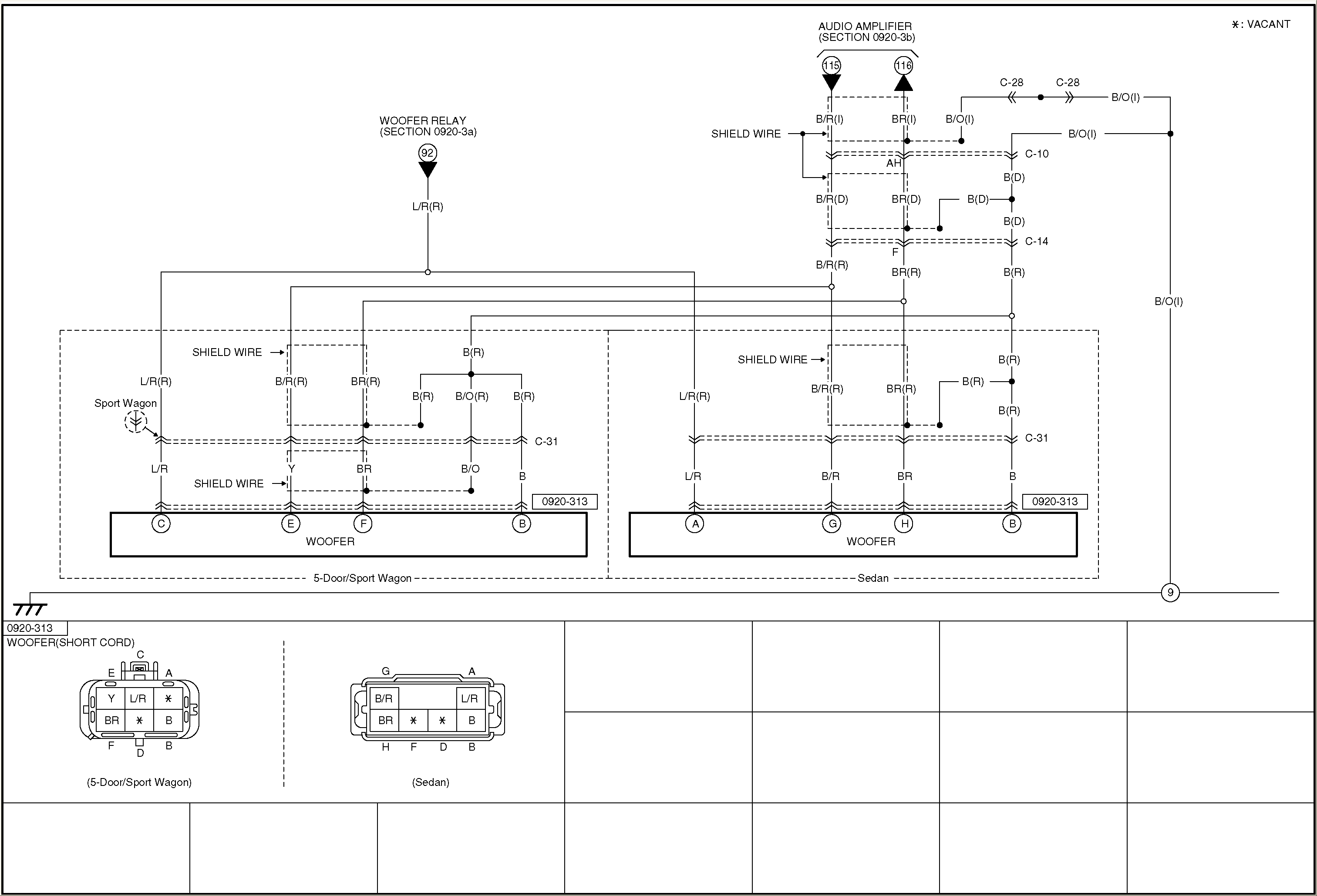
BOSE回路 (工事中

BOSE関連の回路図を掲載します。詳細については順次加えていきます。
クリックすると横3,000ドット位の大きなGIF画像が表示されます。

回路図1    
回路図2    
回路図3    
回路図4    

このページのTOPに戻る


ATENZAのトップページに戻る

Copyright 2004-2005 TICKETS All Rights Reserved
これらの情報を使用した結果についての責任は負いかねます自己責任でご使用ください。
これらの情報は個人で使用される範囲において自由にご使用ください。
有償、無償に関わらず頒布目的での使用は禁止いたします。